欢迎访问爱体育(中国)官方网站-登录入口网站!
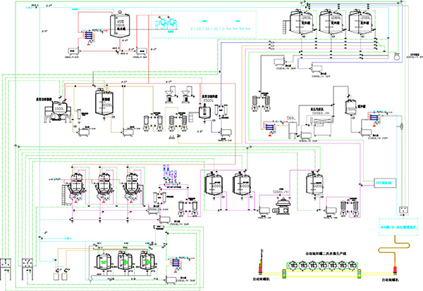
茶饮料灌装生产线
网站首页
关于我们
新闻中心
爱体育(中国)官方网站-登录入口
车间装备
解决方案
合作企业
爱体育(中国)官方网站-登录入口
产品分类
乳品灌装生产线
液态奶灌装生产线
酸奶灌装生产线
豆奶(豆粉)灌装生产线
植物蛋白饮料灌装生产线
果蔬汁饮料灌装生产线
茶饮料灌装生产线
精酿啤酒设备
水处理系统
板式超高温杀菌机
UHT列管式杀菌机
不锈钢储罐
室外贮罐(保温)
乳化罐
发酵罐
小型组合式CIP系统
分体式CIP系统
连续式喷淋杀菌机
水浴连续巴式杀菌机
自动装笼机
自动卸笼机
全自动码垛机
输送系统
其它单机设备
更多产品分类
推荐文章
果汁饮料灌装生产线产品特...
乳品灌装生产线安全问题要...
哪些因素会影响灌装生产线...
饮料灌装生产线创新发展之...
饮料灌装生产质量下降的原...
碳酸饮料灌装生产线灌装质...
爱体育(中国)官方网站-登录入口
爱体育(中国)官方网站-登录入口
联系人:方总
手机:13858383988 13805851579
电 话: 0574-65082795
传 真: 0574-65003695
地 址: 浙江象山县丹城镇天安路1118号
茶饮料灌装生产线
当前位置:
首页
>
爱体育(中国)官方网站-登录入口
>
茶饮料灌装生产线
茶饮料灌装生产线
茶饮料灌装生产线
茶饮料灌装生产线
茶饮料灌装生产线
茶饮料灌装生产线
茶饮料灌装生产线
茶饮料灌装生产线
茶饮料灌装生产线
茶饮料灌装生产线
版权所有:爱体育(中国)官方网站-登录入口
浙ICP备2020036616号-1
技术支持:群思网络
友情链接:
米兰(中国)体育官方网站-AC Milan
宝威手机版(中国)
九州平台-九州平台(中国)
爱游戏·体育-爱游戏(中国)
江南平台-江南平台online(中国)
乐鱼手机版app-乐鱼(中国)
PG(中国)
乐鱼官网网页版_乐鱼(中国)官方
星空·综合体育(StarSky Sports)官方网站
星空·综合(xingkong)体育官方网站-sports